羞羞视频在线观看,羞羞漫画在线观看,羞羞漫画,羞羞网站,羞羞视频最新地址发布页,羞羞漫画在线

歡迎光臨大柏電子科技(上海)有限公司
匯川伺服電機SV660系列

匯川技術伺服電機SV660系列解決方案提供商

詳情

匯川伺服電機SV660系列

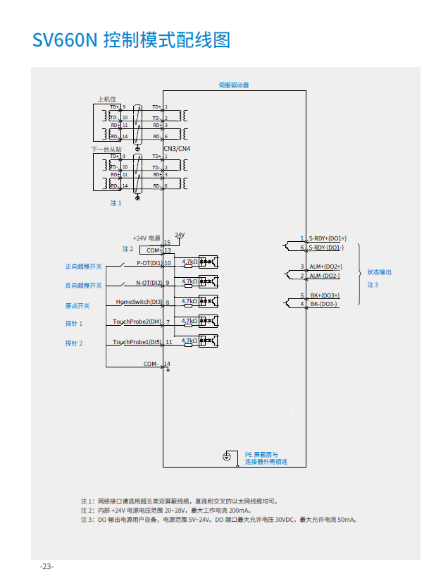
SV660系列伺服是匯川技術研制的高性能中小功率的交流伺服產品。該系列產品功率范圍為0.05kW~7.5 kW,支持EtherCAT 、Modbus、CANopen 、CANLink 和Profinet等通信協議,采用對應的通信接口,配合上位機可實現多臺伺服驅動器聯網運行。



用手機掃描二維碼關閉
欢迎光临: 抚顺市| 卓尼县| 璧山县| 叙永县| 乐山市| 清流县| 巍山| 林芝县| 永泰县| 山阳县| 普兰店市| 马尔康县| 文山县| 香河县| 淮北市| 海南省| 茶陵县| 盐池县| 喀喇沁旗| 加查县| 辽中县| 平舆县| 马山县| 镇坪县| 久治县| 花莲县| 翼城县| 新建县| 耒阳市| 南漳县| 雷山县| 瓦房店市| 南城县| 金溪县| 响水县| 内江市| 孝感市| 太康县| 文登市| 上犹县| 高青县|